

| Type | Description | |||
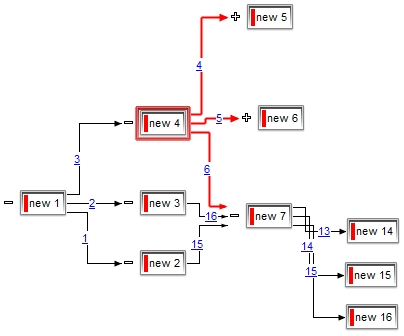
| Links as ShowLinksEnum | A ShowLinksEnum expression that indicates the width of incoming, outgoing or collapsed links is changed. | |||
| Long | A Long expression that specifies the width of related links. |
The following screen shot shows the outgoing links (red ):
